Title: Biofirmas termales: arquitectura de la vida en condiciones extremas
Votes: ?
Category: Fotografía Microscópica
Views: ?
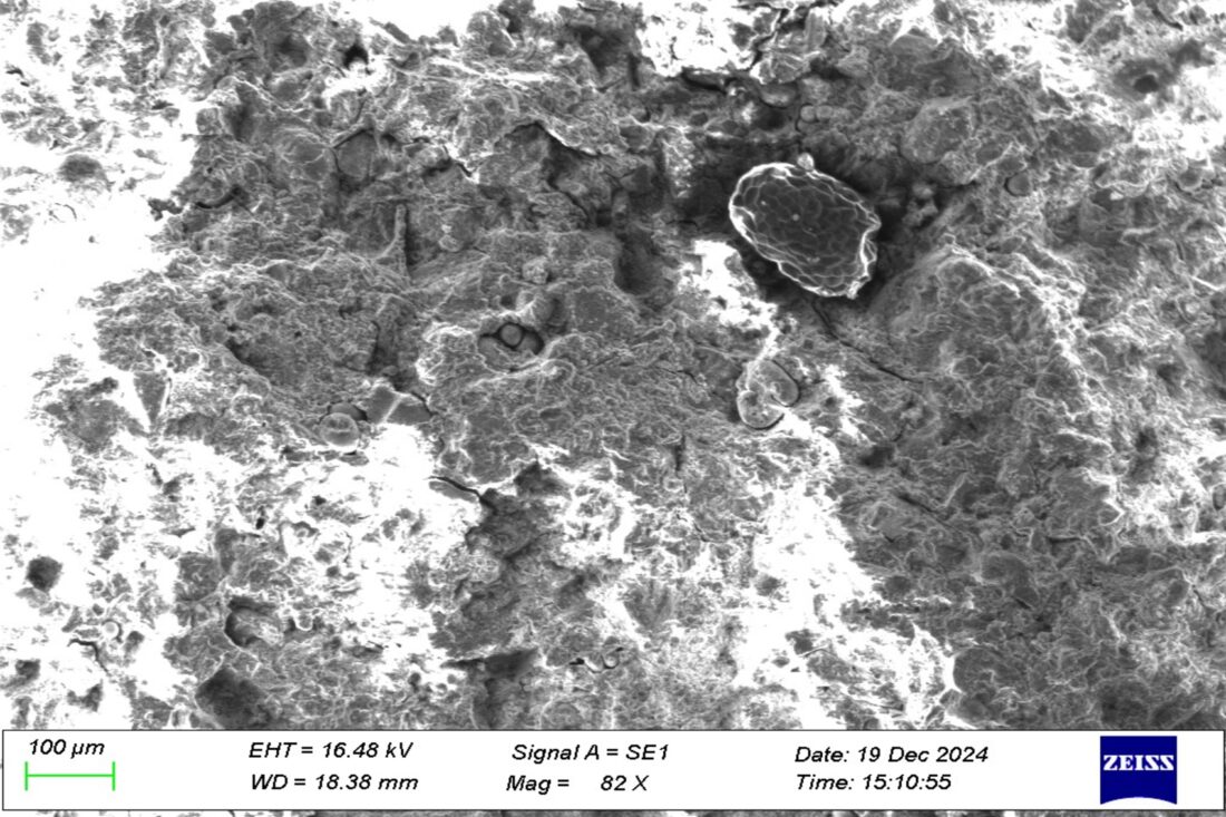
Description: Muestra de roca ígnea extrusiva termal, Silla de Pando. Equipo: Microscopio electrónico de barrido ZEISS EVO Escala100 µm. Cada microorganismo posee un rango de acidez y sustento propio posible de relacionar con el tipo de ambiente hidrotermal de la muestra de Silla de Pando. En esta muestra las capas microbianas consisten en cianobacterias biomineralizadas, intactas, (Methanosarcina sp.), un metanógeno de la familia Euryarchaeota, este tipo de bacteria prospera en ambientes ácidos a ligeramente alcalinos por la metabolización de metano, dióxido de carbono e hidrogeno molecular. Su presencia en el sistema implica que la muestra estuvo expuesta a condiciones anaeróbicas por periodos prolongados asociados a ambientes cerrados y encapsulamiento de sedimentos profundos en rocas. Esto supone que el reservorio correspondiente a la fuente del hidro termalismo del área se encuentra aislado y a gran profundidad. Lo que implica un acuífero confinado que actúa como reservorio de aguas antiguas y asciende a través de fracturas locales abasteciéndose de aguas meteóricas en conjunto del afluente del río Colorado. Un fósil, una historia de ambientes extremos y un sistema hidrotermal antiguo; pequeños hallazgos son los que implican mayor impacto y nos permiten entender que la historia también se cuenta desde perspectivas microscópicas.



